18668783333
请输入要搜索的内容
首页
关于我们
企业简介
企业文化
企业荣誉
产品中心
箱式变电站系列
高压开关设备系列
充气式开关柜系列
环网开关设备系列
固体开关设备系列
气体开关设备系列
电缆分支箱/开闭所系列
低压成套设备系列
工程案例
新闻动态
联系我们
一级标题
一级标题
产品中心
箱式变电站系列
高压开关设备系列
充气式开关柜系列
环网开关设备系列
固体开关设备系列
气体开关设备系列
电缆分支箱/开闭所系列
低压成套设备系列
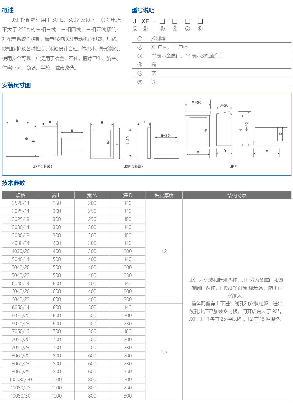
JXF控制箱
一键电话
公司邮箱
返回顶部